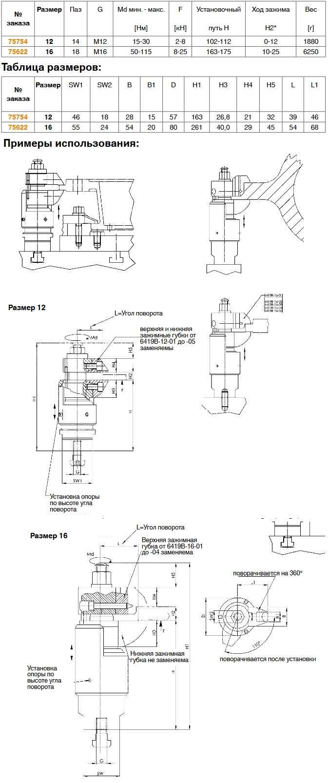
применение:
1. закрепить плавающее зажимное устройство на приспособлении или столе станка.
2. с помощью красной установочной втулки отрегулировать упор по высоте и диапазон поворота, зажать резьбовым штифтом. при регулировке ограничения высоты вверх внимательно следить за зазором (заготовка - производственный допуск).
3. нажать плавающее зажимное устройство вниз.
4. повернуть зажимную губку до упора. - плавающее зажимное устройство прилегает внизу к заготовке с небольшим нажимом.
5. затянуть плавающее зажимное устройство с помощью шестигранной гайки. - при зажатии одновременно осуществляется фиксация и подпирание заготовки.
6. освобождение из зажима выполняется в обратной последовательности.
преимущество:
- прекрасно подходит для больших компонентов со сложной обработкой (размер 16).
- отсутствие деформации при зажиме неустойчивых деталей. - предотвращение вибрации во время обработки.
- зажим ребер, гофр и накладок для придания жесткости в зажатых деталях. - отсутствие деформации при зажиме заготовок.
Указание:
- плавающее зажимное устройство служит для зажима и подпирания при избыточной жесткости мест зажима в деталях.
- при специфических требованиях заказчика к зажимам поставляемые в комплекте зажимные губки могут быть заменены другими (No6419B-12 и 6418B-16) (момент затяжки = макс. 43 нм)
