Поворотное зажимное устройство, пневматическое, блочная версия С двойным действием Поршневой шток из нержавеющей полированной стали. Основная часть из алюминия. Износостойкая поверхность с покрытием HART-COAT®. Магнитный поршень для запроса конечного положения. Включая винт и пружинную шайбу для легкой предварительной настройки положения зажимного рычага. Варианты крепления: - через поперечное отверстие спереди или сзади - сверху с помощью длинного винта с цилиндрической головкой ISO 4762 (DIN 912) - снизу через резьбовые отверстия
Принадлежности (не входят в объем поставки): - зажимной рычаг 6829SP - прижимной винт 6880
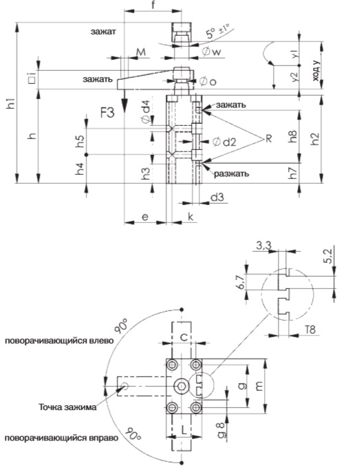
F3 = при максимальном допустимом рабочем давлении 6 бар Указание: Подходящие датчики приближения для запроса конечного положения (№ заказа SME-8M-DS-24V-K-0,3-M8D) заказываются в отдельно

1) Крепежные элементы можно нагружать только в пределах зажима y2.
Примеры креплений
